Facilities and Equipment

The lab contains various types of full scale multi-zone HVAC systems. The HVAC system serves three 8 by 8 ft well-insulated and controlled environmental zones. The HVAC systems are (1) chilled water VAV system, (2) DX VAV system, (3) four-pipe fan coil units, and (4) Variable Refrigerant Flow VRF. The chilled water VAV system and DX multi-zone VAV systems shares the same air distribution system with three single-duct hot-water reheat VAV boxes, providing cold and warm air to meet the cooling or heating loads in the zones. The VAV system can operate as single or dual duct systems. The heating or cooling loads can be artificially introduced in each zone by any of the system listed above. The chilled water central plant and hot water central plant produce chilled and hot water to terminal units (fan coil units) and the central AHU.

The lab settings is based on most recent developments in building energy system and have the flexibility to address a wide range of research studies. The operation and control of all equipment is achieved through a “real” web-based BACnet building automation system that is integrated with may innovative computational data-enabled energy solution tools.

Chilled Water VAV System

The chilled water VAV system consists AHU with heating and cooling coils, outside air intake, dampers, and etc. The system serves three zones with VAV boxes with hot water reheat. 

Air Side Economizer

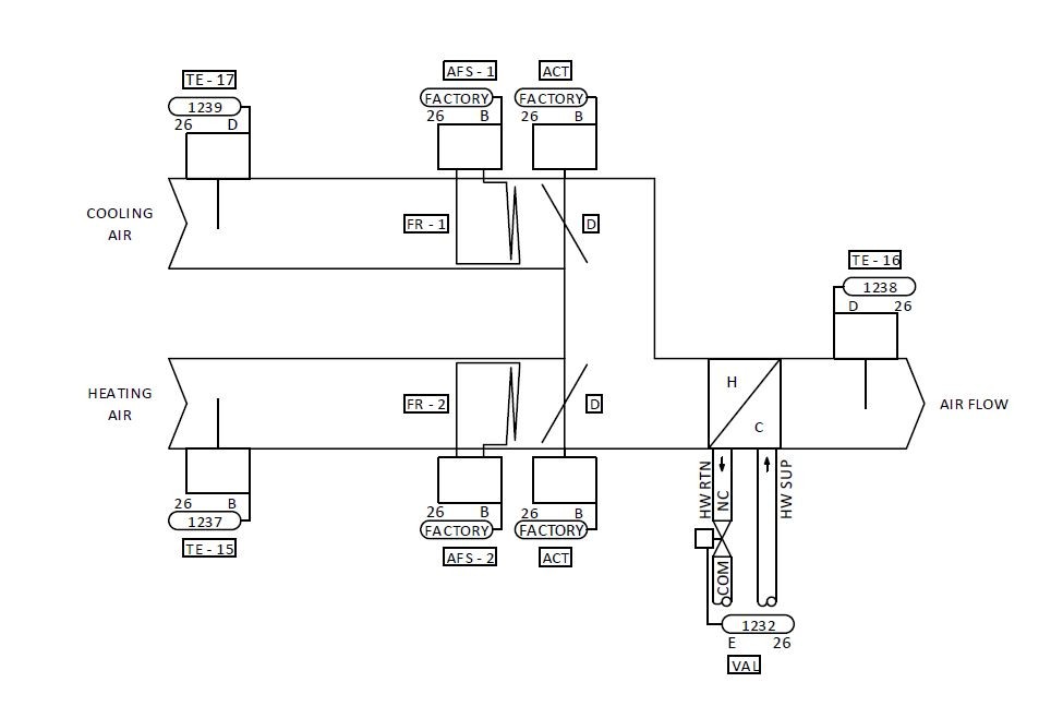
The system contains three dampers: outside, return, and exhaust dampers to control the amount of ventilation introduced to the system. If the outside air is suitable, the control activates the economizer so an appropriate amount of fresh will be introduced to produce free cooling. The control provides several control strategies to active the economizer. A new strategy can be added to the control. 

VAV System Control Strategy

The system has the following major control loops: space control loops, supply air temperature SAT control loop, and duct static pressure control loop, and ventilation control loop. The SAT control is to maintain the SAT at its setpoint by modulating the cooling coil valve, heating coil valve, or outside/retune/discharge dampers. The duct static pressure control is to maintain the duct static pressure at its set point by modulating the fan speed. The zone air temperature is controlled by two cascaded control loops; the error between the space temperature and its setpoint determines the airflow rate setpoint in the first control loop, and the VAV box damper is modulated to maintain the airflow rate at its setpoint in the second loop.

Illustration of VAX system control strategy
Air ducts

The control set points can be reset through multiple build-in control strategy options but any future strategies can be added for testing.  

Return Duct and Fan

The system is equipped with return air duct and fan to bring the air back form the zones to central chilled water AHU. The fan is controlled to maintain a slightly positive pressure in the zone.  

DX VAV System

The DX VAV system consists DX coil through an air-sourced heat pump to provide heating or cooling as needed. The system serves three zones with VAV boxes with hot water reheat.

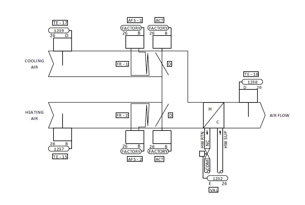
Air Side Economizer

The system contains three dampers: outside , return , and exhaust dampers to control the amount of ventilation introduced to the system. if the outside air is suitable, the control activates the economizer so an appropriate amount of fresh will be introduced to produce free cooling. The control provides several control strategies to active the economizer. A new strategy can be added to the control. 

Illustration of DX vav system

VAV System Control Strategy

The system has the following major control loops: space control loops, supply air temperature SAT control loop, and duct static pressure control loop, and ventilation control loop. The SAT control is to maintain the SAT at its setpoint by modulating the cooling or heating DX coil capacity or outside/retune/discharge dampers. The duct static pressure control is to maintain the duct static pressure at its set point by modulating the fan speed. The zone air temperature is controlled by two cascaded control loops; the error between the space temperature and its setpoint determines the airflow rate setpoint in the first control loop, and the VAV box damper is modulated to maintain the airflow rate at its setpoint in the second loop.

The control set points can be reset through multiple build-in control strategy options but any future strategies can be added for testing. 

Return Duct and Fan

The system is equipped with return air duct and fan to bring the air back form the zones to central chilled water AHU. The fan is controlled to maintain a slightly positive pressure in the zone.  

Illustration of return duct

Dual Duct VAV systems

The chilled water AHU and DX AHU can operate simultaneously; one supplies cold air and other supplies warm air to the three zones (testing chambers) through dual duct VAV boxes.   

Diagram of dual vav system

VAV boxes

Each zone is served by VAV boxes operating as single or dual inlet VAV box. This configuration allows the system work as single or dual-duct VAV systems. 

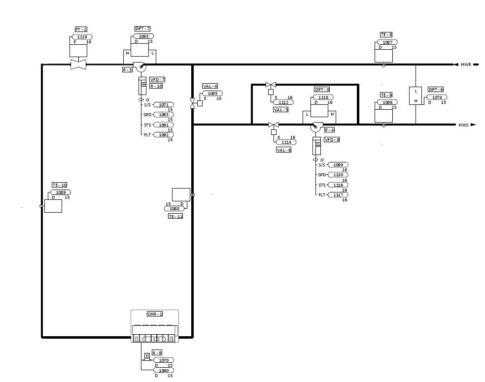
Chilled Water Central Plant

The chilled water system consists of one air cooled chiller with two pumps. There are two water piping configuration options:  (1) primary/secondary or (2) primary only configuration. The chiller serves VAV AHU coil and three fan coils located in zones. All pumps are equipped with VFDs

Hot Water Central Plant

The hot water system consists of one electric boiler with two pumps. There are two water piping configuration options:  (1) primary/secondary or (2) primary only configuration. The boiler serves VAV AHU coil, VAV box reheat coils, and three fan coils located in zones. All pumps are equipped with VFDs

Fan Coil Units

The three zones (lab chambers) serves also by fan coil units FCUs. The FCUs are four pipe configuration with hot and chilled water coils. A variable speed fan is used to circulate air. The chilled and hot water central plants serving the AHU coils also serve the FCUs. Two pipe configuration can be selected to operate through BAS:  (1) primary/secondary or (2) primary only configuration. 

Variable Refrigerant Flow Units

The three zones (lab chambers) serves also by VRF indoor cascades. The VRF system contains condensing unit located outside the lab and heat recovery system .